产品中心
PRODUCTS
科技成就我们,我为客户创造价值
WK515 贴片式邮票孔模组是一款高度集成的 2.4GHz Wi-Fi 模组,该模组采用GD32W515为主控芯片;包括一个带有 Trustzone 的 ARM Cortex-M33内核处理器,主频高达 180Mhz;它是一个优化的 SoC,为广泛的物联网(IoT)应用的智能设备而设计。
一、产品概述:
WK515 贴片式模组是一款高度集成的 2.4GHz Wi-Fi 模组,该模组模块采 用 GD32W515 芯片;包括一个带有 Trustzone 的 ARM Cortex-M33 内核处理 器,主频高达 180Mhz;它是一个优化的 SoC,为广泛的物联网(IoT)应用的 智能设备而设计。
Cortex-M33 内核处理器是一款 32 位的处理器,基于 ARMv8 架构,具有 低中断延迟和低成本调试;支持强大和可扩展的指令集,包括一般数据处理 I/O 控制任务、高级数据处理位域操作和 DSP;高度集成的特点使 Cortex-M33 内 核处理器适用于需要高性能和低功耗的微控制器的市场产品。
WK515 贴片式模组适用于广泛的应用领域,特别是在工业控制、电机驱动、 用户界面、电源监控和报警系统、消费和手持设备、游戏和 GPS、电动自行车、 光模块等领域。
功能特点:
● Arm Cortex-M33 内核
o 频率高达 180 MHz o 2.4GHz 单流 IEEE802.11b/g/n MAC/Baseband/RF 射频模块
o DSP 指令扩展和单精度浮点运算(FPU)
o TrustZone 硬件安全机制
● 存储器
o 高达 2048KB 的片上 Flash
o 高达 448KB 的 SRAM
o 支持 32MB 的外置 Flash
● 射频性能
o 最大发射功率为 21dBm
o 信号接收灵敏度可达-97.6dBm
o 邻道抑制(ACR)值高达 48dB
o Iperf 吞吐量可达 50Mbps,屏蔽室内测试最高可达 80Mbps
● 高精度模拟外设
o 1 个 12 位 ADC
● 集成外设接口
o 2 个 SPI
o 1 个 SQPI
o 1 个 SDIO
o 2 个 I2C
o 3 个 USART
o 1 个 I2S
o 1 个 USB2.0 FS
o Wi-Fi 无线接口
● 片上资源
o 4 个通用 16 位定时器
o 2 个通用 32 位定时器
o 1 个基本定时器
o 1 个 PWM 高级定时器
o TrustZone 控制单元(TZPCU)
o 数码相机接口(DCI)
o 触摸感应接口(TSI)
o 四线制 SPI Flash 接口(QSPI)
o 高性能数字滤波器(HPDF
规格尺寸:


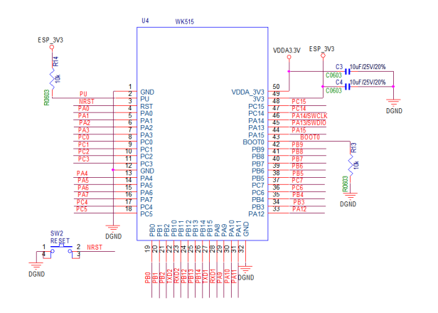
外围电路设计参考:


详细规格书和设计参考请联系销售:0755-83290418
Product Center
Solution Center
Demo development board
Beidou Tourist Card
Beidou intercom solution
Beidou/4G Lifeguard Bracelet
G-mouse navigation and positioning module
WiFi/BLE 2-in-1 IoT module solution
sensor
WiFi/BLE wireless connection
GD32 MCU microprocessor
© 2022 Copyright Shenzhen Weierjian Technology Development Co., Ltd 粤ICP备20033837号
Contact Us
tel:0755-83290418
phone:13602688458 (曾先生)